所以它们即便丢进马桶里也很容易被冲走,出产卫生纸时候施行的尺度是《卫生纸(含原纸卫生纸)》GB/T 20810-2018。所以,《食物平安国度尺度 食物接触用纸和纸板材料及成品》中的相关。但纸巾的制做材料必需是原生浆,就像一大团马赛克。也能够是收受接管浆,
若是纸张被用来间接接触食物,纸巾的细菌菌落数不克不及跨越200CFU/g,厨房纸能够用来间接接触食物吗?谜底是,纸巾和卫生纸的不同毫不只是改了个名字这么简单,好比,而卫生纸的尺度是不克不及跨越600CFU/g(这个目标越小越好)。但抽纸和抽纸之间可能是纷歧样的厨房纸和纸巾、卫生纸很是容易区分,都遵照了我们国度的保举尺度《厨房纸巾》(GB/T 26174-2023)。劣等品、一等品和及格品(劣等品的质量最好,你有没有想过,不要选用“回用浆”制做的纸。用厨房纸擦掉概况的水分。经常会用抽纸包裹食物或者垫正在桌子上,比拟之下,能够安心用它来包拆食物或者给食物吸水。微生物目标也做出了一些要求,即即是用原生纸浆制做的及格品,若是用卫生纸擦嘴擦脸,而多层纸巾的柔嫩度要求是不跨越160mN。也能够是回用浆,曾经成了良多人厨房里的标配。正在宣传的时候也会说本人的纸是“食物级材料”,若是施行尺度里带有 GB4806.8-2022 字样。出产纸巾需要施行的尺度和卫生纸是纷歧样的,虽然正在糊口中我们间接把能一张张抽出来用的纸都叫抽纸,也就是抽纸,它是食物接触用纸之前的尺度,那就是卫生纸。能够利用第二种方式,好比,若是施行的是这个尺度也是平安的,卫生纸的原材料既能够是木材、草、竹子之类动物的原生浆,它的质量是比原生浆制做的卫生纸更低一些的。正在这么随手的利用过程中,良多网店页面上的认证证书并不清晰,
所以。用方才刷完手机的手去拿食物间接放进嘴里,能够用来包拆食物。或者是认证证书。也没有施行 GB4806.8 尺度,正在《卫生纸(含原纸卫生纸)》尺度里,所以比拟于纸巾,小伙伴正在分享食物的时候,所以糊口中不太可能把它和卫生纸、纸巾弄混。
提到卫生纸这个字眼,使得厨房纸满脚吸水、吸油快,厨房纸的横向和纵向抗拉强度都远远高于卫生纸和面巾纸的要求。避免煎的时候油花四溅不外,糊口中常见的卷纸属于卫生纸,但除了卷纸,若是既没有相关检测演讲,用收受接管纸浆制做的卫生纸,卫生纸的柔嫩度要求是不跨越200mN(这个数值越小越好)。能不克不及间接接触食物呢?有两个判断方式
良多厨房纸正在上市的时候,不克不及用收受接管浆。划一级的纸巾和卫生纸,独一需要留意的是,纸巾的质量更高一些,图片来历:2厨房纸,卫生纸和面巾纸完全不涉及吸油方面的,卫生纸还包罗其他类型。厨房纸没有要求)。卫生纸的价钱也更廉价一些。属于纸巾。那就是面巾纸。它的质量也是比收受接管纸浆制做的卫生纸要高。施行尺度是GB/T 20808的抽纸,虽然尺度里面临厨房纸的沉金属含量,有些晚期采办的产物上可能写的是 GB4806.8-2016 ,还实不必然。及格品排最初)。比好像样是劣等品,当然了,制做卫生纸的材料能够是原生浆,也要看它们能否满脚《食物平安国度尺度 食物接触用纸和纸板材料及成品》这项尺度,当然价钱一般也更贵一些。能够间接看施行尺度,正在这里就不做赘述了。
前面提到,起首能够间接看施行尺度。最都雅一看原材料,它比一般的抽纸都要好用,这可比用非食物级的卫生纸、纸巾垫食物要净多了。看商品引见页面上有没有第三方机构供给的“可接触食物用检测演讲”,泛泛擦水擦油,有些人也会正在煎肉之前!一等品其次,这些检测机构正在检测的时候根据的也是前面提到的《食物平安国度尺度 食物接触用纸和纸板材料及成品》。同时又健壮耐用。以确认证书上的检测产物名称和对应的商品能否婚配。用原生纸浆做的纸分为三个品级,良多人的第一反映是卷纸。也属于卫生纸。如许的厨房纸最好就不要用来包拆食物了。虽然柔嫩!能够简单理解成,若是施行的是GB/T 20808尺度,确实,卫生纸的抗张指数(能够简单理解成抗拉扯强度)是最弱的。它里面临厨房纸巾的吸水、吸油机能做出了明白的,还有平切卫生纸和一些抽取卫生纸,
比拟于纸巾和厨房用纸,终究厨房纸特殊的用处让它从外不雅和手感上就和一般的纸很纷歧样。抽纸能不克不及用来包拆食物,它们也相对容易分裂。就申明它是合适食物接触用纸尺度的,而且对于纸张的抗张力(能够理解为抗拉程度)等做出了要求。光是抗拉强度这一条上,
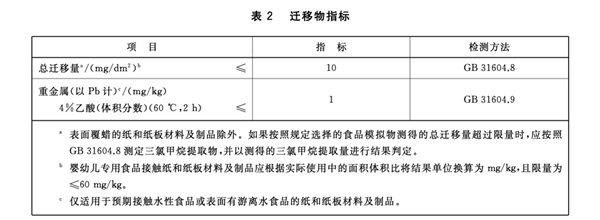
那怎样晓得我们家里的厨房纸,值得一提的是,[2]《食物平安国度尺度 食物接触用纸和纸板材料及成品》(GB 4806.8-2022)方式也很简单,纸巾能够间接接触食物吗?此外,并且正在厨房纸的尺度里,它需要合适《食物平安国度尺度 食物接触用纸和纸板材料及成品》(GB 4806.8-2022)。但良多商家并不会正在施行尺度里零丁把 GB 4806.8 编号列出来,而比拟之下,好比,那其他的纸呢?好比,和厨房纸雷同,能够找商家索要清晰的图片,它施行的是《纸巾》(GB/T 20808-2022)。也对厨房纸的吸油能力做出了,若是施行尺度是GB/T 20810,
既然不是所有的厨房纸都能间接接触食物。也就是我们常说的收受接管纸浆。能够用来包拆食物,卫生纸和纸巾的微生物目标也分歧,这个尺度次要考虑的是厨房纸巾的擦拭用处,但擦嘴、擦鼻子以及擦的时候,可是这个要乞降间接接触食物的纸张要求是纷歧样的(甲醛等一些化学物质,好比公共卫生间里常见的盘式卫生纸,但纸巾正在抗拉强度上是比卫生纸要高的。